Вы находитесь на старой версии сайта. Перейти на новую?
Главная

Напорные гидроциклоны ПВО-ГЦ

Что делать, если в воде из скважины:
Песок...
Глина...
и другие мелкие частицы?
Для частных домов и коттеджей,
Вам поможет гидроциклон!
Как работает гидроциклон?
Смотрите в этом ролике
ОСНОВНЫЕ ТЕХНИЧЕСКИЕ ДАННЫЕ

Давление номинальное PN (или рабочее Рр или расчетное Р) МПа: 0,2 - 0,8
Производительность, м3/ч:
0,8-1,3**
При производительности системы ниже необходимо соблюсти давление при входе.
Если это сделать проблематично, то можно поставить промежуточную ёмкость со вторым насосом и повысить мощность подающего насоса на гидроциклон.

Диаметр подсоединения, вход Ду (дюйм): G 1/2"
Диаметр подсоединения, выход Ду (дюйм): G 1/2"
Диаметр подсоединения, выход грязесборника Ду (дюйм): G 1/2"
Объем грязесборника №1, мл: 250
Объем грязесборника №2, мл: 800
Объем грязесборника №3, мл: 1 500
Тип присоединения: Резьбовое
Внутренний диаметр корпуса, мм: 25
Давление максимальное PN МПа (кгс/см2): 1,0
Эффективность очистки – Наименьший размер частиц плотностью от 1,5 г/см3 удаляемых при очистке воды и растворов, мкм: 25
Габаритные размеры ГЦТО, мм: 280x100x41
Масса, кг: 0,71
Материал корпуса гидроциклона: Углеродистая сталь
Материал корпуса грязесборника: ПВХ

**Примечание: производительность дана при давлении среды на входе не менее 0,3 МПа и отсутствии противодавления на выходах.

Основные части гидроциклона
1 – Подача воды на гидроциклон
2 – Корпус
3 – Песковая насадка
4 – Отвод фильтрата
5 – Грязесборник
6 – Сброс песка
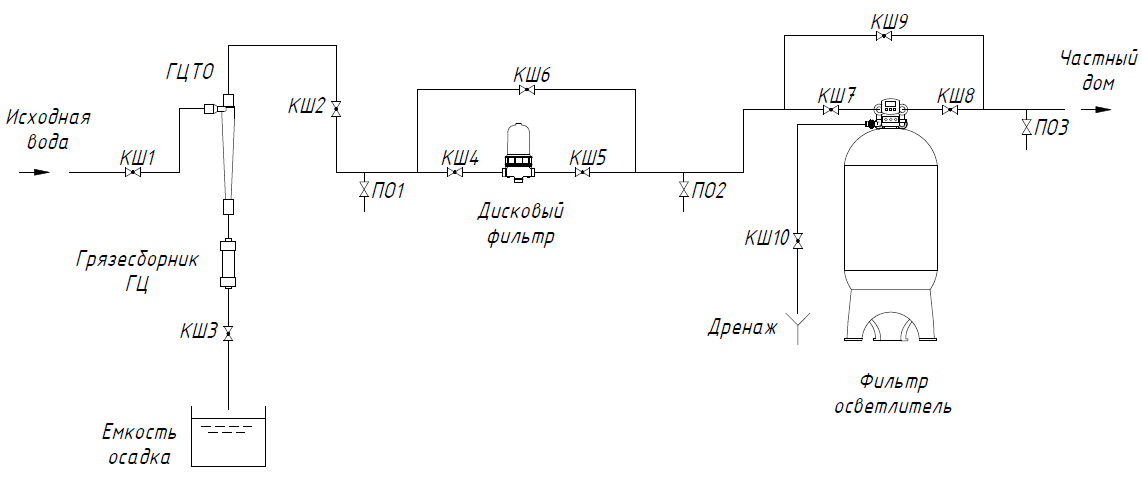
ТИПОВЫЕ СХЕМЫ ОБВЯЗКИ ГЦТО
Типовая схема установки гидроциклона в квартире
Типовая схема установки гидроциклона в коттедже
Промышленные гидроциклоны
Если вам необходимы напорные гидроциклоны производительность от 0,9 до 370 м3/ч для промышленной водоподготовки, переходите на сайт нашего партнера ООО "НПЦ ПромВодОчистка"